
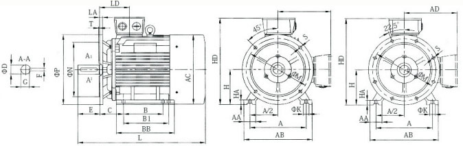
External dimensions
| Type | Speed (r/min) | Mounting dimensions(mm) | Overal dimernsonsfmm) | ||||||||||||||||||||||||
| A | B | B1 | C | D | E | F | G | H | K | M | N | P | R | S | T | AA | AB | AC | AD | HA | HD | LA | LD | L | |||
| 90S | 3000~1000 | 140 | 100 | 56 | 24 | 50 | 8 | 20 | 90 | 10 | 165 | 130 | 200 | 0 | 4-Φ12 | 4 | 36 | 180 | 175 | 155 | 12 | 245 | 12 | 75 | 315 | ||
| 90L | 3000~1000 | 140 | 125 | 56 | 24 | 50 | 8 | 20 | 90 | 10 | 165 | 130 | 200 | 0 | 4-Φ12 | 4 | 36 | 180 | 175 | 155 | 12 | 245 | 12 | 75 | 340 | ||
| 100L | 3000~1000 | 160 | 140 | 63 | 28 | 60 | 8 | 24 | 100 | 12 | 215 | 180 | 250 | 0 | 4-Φ15 | 4 | 40 | 200 | 220 | 190 | 14 | 295 | 13 | 83 | 435 | ||
| 112M | 3000~750 | 190 | 140 | 70 | 28 | 60 | 8 | 24 | 112 | 12 | 215 | 180 | 250 | 0 | 4-Φ15 | 4 | 45 | 230 | 220 | 190 | 15 | 305 | 14 | 87 | 450 | ||
| 132S | 3000~750 | 216 | 140 | 89 | 38 | 80 | 10 | 33 | 132 | 12 | 265 | 230 | 300 | 0 0 | 4-Φ15 | 4 | 55 | 265 | 260 | 210 | 18 | 355 | 14 | 102 | 465 | ||
| 132M | 3000~750 | 216 | 178 | 89 | 38 | 80 | 10 | 33 | 132 | 12 | 265 | 230 | 300 | 0 | 4-Φ15 | 4 | 55 | 265 | 260 | 210 | 18 | 355 | 14 | 102 | 505 | ||
| 160M | 3000~750 | 254 | 210 | 108 | 42 | 110 | 12 | 37 | 160 | 15 | 300 | 250 | 350 | 0 | 4-Φ19 | 5 | 65 | 315 | 315 | 260 | 20 | 425 | 15 | 146 | 608 | ||
| 160L | 3000~750 | 254 | 254 | 108 | 42 | 110 | 12 | 37 | 160 | 15 | 300 | 250 | 350 | 0 | 4-Φ19 | 5 | 65 | 315 | 315 | 260 | 20 | 425 | 15 | 146 | 652 | ||
| 180M | 3000~750 | 279 | 241 | 12 | 48 | 110 | 14 | 42.5 | 180 | 15 | 300 | 250 | 350 | 0 | 4-Φ19 | 5 | 70 | 350 | 360 | 280 | 22 | 460 | 15 | 161 | 690 | ||
| 180L | 3000~750 | 279 | 279 | 12 | 48 | 10 | 14 | 42.5 | 180 | 15 | 300 | 250 | 350 | 0 | 4-Φ19 | 5 | 70 | 350 | 360 | 280 | 22 | 460 | 15 | 161 | 730 | ||
| 200L | 3000~750 | 318 | 305 | 133 | 55 | 110 | 16 | 49 | 200 | 19 | 350 | 300 | 400 | 0 | 4-Φ19 | 5 | 70 | 390 | 400 | 305 | 25 | 510 | 17 | 186 | 760 | ||
| 225S | 1500~750 | 356 | 286 | 149 | 60 | 140 | 18 | 53 | 225 | 19 | 400 | 350 | 450 | 0 | 8-Φ19 | 5 | 75 | 435 | 450 | 335 | 28 | 555 | 20 | 189 | 810 | ||
| 225M | 3000 | 356 | 311 | 149 | 55 | 110 | 16 | 49 | 225 | 19 | 400 | 350 | 450 | 0 | 8-Φ19 | 5 | 75 | 435 | 450 | 335 | 28 | 555 | 20 | 189 | 805 | ||
| 1500~750 | 356 | 311 | 149 | 60 | 140 | 18 | 53 | 225 | 19 | 400 | 350 | 450 | 0 | 8-Φ19 | 5 | 75 | 435 | 450 | 335 | 28 | 555 | 20 | 189 | 835 | |||
| 250M | 3000 | 406 | 349 | 168 | 60 | 140 | 18 | 53 | 250 | 24 | 500 | 450 | 550 | 0 0 | 8-Φ19 | 5 | 80 | 485 | 490 | 365 | 30 | 625 | 22 | 207 | 910 | ||
| 1500~750 | 406 | 349 | 168 | 65 | 140 | 18 | 58 | 250 | 24 | 500 | 450 | 550 | 0 | 8-Φ19 | 5 | 80 | 485 | 490 | 365 | 30 | 625 | 22 | 207 | 910 | |||
| 280S | 3000 | 457 | 368 | 190 | 65 | 140 | 18 | 58 | 280 | 24 | 500 | 450 | 550 | 0 | 8-Φ19 | 5 | 85 | 545 | 550 | 400 | 35 | 685 | 22 | 215 | 985 | ||
| 1500~750 | 457 | 368 | 190 | 75 | 140 | 20 | 67.5 | 280 | 24 | 500 | 450 | 550 | 0 | 8-Φ19 | 5 | 85 | 545 | 550 | 400 | 35 | 685 | 22 | 215 | 1005 | |||
| 280M | 3000 | 457 | 419 | 190 | 65 | 140 | 18 | 58 | 280 | 24 | 500 | 450 | 550 | 0 | 8-Φ19 | 5 | 85 | 545 | 550 | 400 | 35 | 685 | 22 | 215 | 1030 | ||
| 1500~750 | 457 | 419 | 190 | 75 | 140 | 20 | 67.5 | 280 | 24 | 500 | 450 | 550 | 0 | 8-Φ19 | 5 | 85 | 545 | 550 | 400 | 35 | 685 | 22 | 215 | 1060 | |||
| 315S | 530 | 508 | 406 | 216 | 65 | 140 | 18 | 58 | 315 | 28 | 600 | 550 | 660 | 0 | 8-Φ24 | 6 | 120 | 630 | 625 | 555 | 45 | 845 | 22 | 257 | 1180 | ||
| 1500~750 | 508 | 406 | 216 | 80 | 170 | 22 | 71 | 315 | 28 | 600 | 550 | 660 | 0 | 8-Φ24 | 6 | 120 | 630 | 625 | 555 | 45 | 845 | 22 | 257 | 1210 | |||
| 315M/L | 3000 | 508 | 457 | 508 | 216 | 65 | 140 | 18 | 58 | 315 | 28 | 600 | 550 | 660 | 0 | 8-Φ24 | 6 | 120 | 630 | 625 | 555 | 45 | 845 | 22 | 257 | 1290 | |
| 1500~750 | 508 | 457 | 508 | 216 | 80 | 170 | 22 | 71 | 315 | 28 | 600 | 550 | 660 | 0 0 | 8-Φ24 | 6 | 120 | 630 | 625 | 555 | 45 | 845 | 22 | 257 | 1320 | ||
| 355M | 3000 | 610 | 500 | 560 | 254 | 75 | 140 | 20 | 67.5 | 355 | 28 | 740 | 680 | 800 | 0 | 8-Φ24 | 6 | 120 | 730 | 710 | 615 | 52 | 970 | 25 | 284 | 1526 | |
| 1500~750 | 610 | 500 | 560 | 254 | 95 | 170 | 25 | 86 | 355 | 28 | 740 | 680 | 800 | 8-Φ24 | 6 | 120 | 730 | 710 | 615 | 52 | 970 | 25 | 284 | 1556 | |||
| 355L | 3000 | 610 | 560 | 630 | 254 | 75 | 140 | 20 | 67.5 | 355 | 28 | 740 | 680 | 800 | 8-Φ24 | 6 | 120 | 730 | 710 | 615 | 52 | 970 | 25 | 284 | 1526 | ||
| 1500~750 | 610 | 560 | 630 | 254 | 95 | 170 | 25 | 86 | 355 | 28 | 740 | 680 | 800 | 8-Φ24 | 6 | 120 | 730 | 710 | 615 | 52 | 970 | 25 | 284 | 1556 | |||

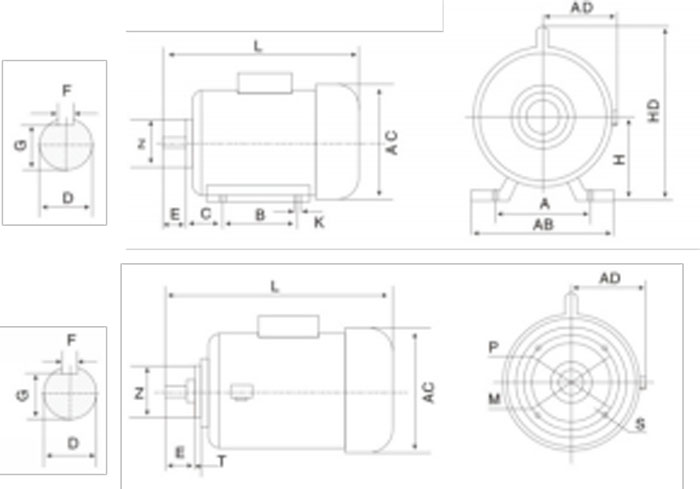
| Type | overal dimensions(mm) | ||||||||||
| AB | AC | AD | HD | L | |||||||
| 09 | 156 | 159 | 108 | 190 | 330 | ||||||
| 1 | 176 | 176 | 121 | 220 | 266 | ||||||
| 2 | 190 | 190 | 128 | 246 | 258 | ||||||
| Type | Mounting dimensions(mm) | |||||||||||||||||
| A | B | C | D | E | F | G | H | K | M | N | P | S | T | |||||
| 09 | 125 | 100 | 50 | 14 | 30 | 4 | 11.5 | 80 | 10 | 85 | 70 | 105 | M8 | 3 | ||||
| 1 | 140 | 100 | 56 | 16 | 40 | 5 | 13 | 90 | 10 | 100 | 80 | 120 | M8 | 3 | ||||
| 2 | 160 | 112 | 63 | 19 | 40 | 6 | 15.5 | 100 | 12 | 115 | 95 | 140 | M8 | 3 | ||||
| Type | output | Full Load | Ist (A) | Ts/Tn | Tmax/Tn | |||||||||||||||||||
Speed (r/min) | Current (A) | Eff (%) | Power Factor (cosΦ) | |||||||||||||||||||||
| KW | Hp | |||||||||||||||||||||||
| JY09B-2 | 0.18 | 1/4 | 2800 | 1.89 | 60 | 0.72 | 12 | 1.8 | 2.2 | |||||||||||||||
| JY09A-2 | 0.25 | 1/3 | 2800 | 2.51 | 63 | 0.72 | 15 | 1.8 | 2.2 | |||||||||||||||
| JY1B-2 | 0.37 | 1/2 | 2800 | 3.54 | 66 | 0.72 | 21 | 1.8 | 2.2 | |||||||||||||||
| JY1A-2 | 0.55 | 3/4 | 2800 | 5.26 | 66 | 0.72 | 30 | 1.8 | 2.2 | |||||||||||||||
| JY2B-2 | 0.75 | 1 | 2850 | 6.49 | 70 | 0.75 | 37 | 1.8 | 2.2 | |||||||||||||||
| JY2A-2 | 1.1 | 1.5 | 2850 | 9.15 | 71 | 0.77 | 53 | 1.8 | 2.2 | |||||||||||||||
| JY09A-4 | 0.18 | 1/4 | 1400 | 2.36 | 56 | 0.62 | 12 | 1.8 | 2.2 | |||||||||||||||
| JY1B-4 | 0.25 | 1/3 | 1400 | 3.05 | 60 | 0.62 | 15 | 1.8 | 2.2 | |||||||||||||||
| JY1A-4 | 0.37 | 1/2 | 1400 | 4.24 | 64 | 0.62 | 21 | 1.8 | 2.2 | |||||||||||||||
| JY2B-4 | 0.55 | 3/4 | 1400 | 5.49 | 67 | 0.68 | 29 | 1.8 | 2.2 | |||||||||||||||
| JY2A-4 | 0.75 | 1 | 1400 | 7.25 | 69 | 0.68 | 37 | 1.8 | 2.2 | |||||||||||||||
Contact Ouruian for Permanent Magnet Synchronous Motor
Contact With Us:
E-mail: market@ouruian.com
Have a Questions? Call Us:
Add:
No. 3777, Yitianmen Street, High-tech Zone, Tai'an City, Shandong Province, China