Aluminum shell machine base, end cover, feet;
High strength sealing ring;
Available for shaft keys and protectors;
beautiful appearance;
Suitable for high load work;
Stainless steel shaft available;
High performance and efficiency.
IE1 Technical Parameter SPEED 3000RPM 2-POLE 50Hz
| Type | Rated output | Rated Speed (r/min) | Eff (%) | Power Factor (cosΦ) | Current(A) | Rated Torque (Nm) | Ts/Tn | Tmax/Tn | Is/In | |||
| KW | Hp | 380V 50Hz | 400V 50Hz | 415V 50Hz | ||||||||
| Y2-63 1-2 | 0.18 | 0.25 | 2750 | 57.0 | 0.80 | 0.53 | 0.50 | 0.48 | 0.6 | 2.2 | 2.2 | 5.5 |
| Y2-63 2-2 | 0.25 | 0.37 | 2750 | 60.0 | 0.81 | 0.69 | 0.66 | 0.63 | 0.9 | 2.2 | 2.2 | 5.5 |
| Y2-71 1-2 | 0.37 | 0.5 | 2760 | 67.0 | 0.81 | 0.99 | 0.94 | 0.91 | 1.3 | 2.2 | 2.2 | 6.1 |
| Y2-71 2-2 | 0.55 | 0.75 | 2780 | 71.0 | 0.82 | 1.40 | 1.33 | 1.28 | 1.9 | 2.2 | 2.3 | 6.1 |
| Y2-80 1-2 | 0.75 | 1 | 2810 | 73.0 | 0.83 | 1.90 | 1.80 | 1.74 | 2.5 | 2.2 | 2.3 | 6.1 |
| Y2-80 2-2 | 1.1 | 1.5 | 2810 | 76.2 | 0.84 | 2.65 | 2.51 | 2.42 | 3.7 | 2.2 | 2.3 | 7.0 |
| Y2-90S-2 | 1.5 | 2 | 2820 | 78.5 | 0.84 | 3.51 | 3.33 | 3.21 | 5.1 | 2.2 | 2.3 | 7.0 |
| Y2-90L-2 | 2.2 | 3 | 2830 | 81.0 | 0.85 | 4.93 | 4.68 | 4.51 | 7.4 | 2.2 | 2.3 | 7.0 |
| Y2-100L-2 | 3 | 4 | 2830 | 82.6 | 0.87 | 6.41 | 6.09 | 5.87 | 10.1 | 2.2 | 2.3 | 7.5 |
| Y2-112M-2 | 4 | 5.5 | 2835 | 84.2 | 0.88 | 8.29 | 7.88 | 7.59 | 13.5 | 2.2 | 2.3 | 7.5 |
| Y2-132S1-2 | 5.5 | 7.5 | 2840 | 85.7 | 0.88 | 11.2 | 10.6 | 10.3 | 18.5 | 2.2 | 2.3 | 7.5 |
| Y2-132S2-2 | 7.5 | 10 | 2850 | 87.0 | 0.88 | 15.0 | 14.3 | 13.8 | 25.1 | 2.2 | 2.3 | 7.5 |
| Y2-160M1-2 | 11 | 15 | 2860 | 88.4 | 0.89 | 21.4 | 20.3 | 19.6 | 36.7 | 2.2 | 2.3 | 7.5 |
| Y2-160M2-2 | 15 | 20 | 2860 | 89.4 | 0.89 | 28.8 | 27.4 | 26.4 | 50.1 | 2.2 | 2.3 | 7.5 |
| Y2-160L-2 | 18.5 | 25 | 2870 | 90.0 | 0.90 | 35.0 | 33.3 | 32.1 | 61.6 | 2.0 | 2.3 | 7.5 |
| Y2-180M-2 | 22 | 30 | 2940 | 90.5 | 0.90 | 41.2 | 39.2 | 37.7 | 71.46 | 2.0 | 2.3 | 7.5 |
| Y2-200L1-2 | 30 | 40 | 2950 | 91.4 | 0.90 | 55.8 | 53.0 | 51.1 | 97.12 | 2.0 | 2.3 | 7.5 |
| Y2-200L2-2 | 37 | 50 | 2950 | 92.0 | 0.90 | 68.4 | 65.0 | 62.6 | 119.8 | 2.0 | 2.3 | 7.5 |
| Y2-225M-2 | 45 | 60 | 2960 | 92.5 | 0.90 | 82.7 | 78.5 | 75.7 | 145.2 | 2.0 | 2.3 | 7.5 |
| Y2-250M-2 | 55 | 75 | 2965 | 93.0 | 0.90 | 101 | 95.7 | 92.2 | 177.2 | 2.0 | 2.3 | 7.5 |
| Y2-280S-2 | 75 | 100 | 2970 | 93.6 | 0.90 | 137 | 130 | 125 | 241.2 | 2.0 | 2.3 | 7.5 |
| Y2-280M-2 | 90 | 125 | 2970 | 93.9 | 0.91 | 161 | 153 | 147 | 289.4 | 2.0 | 2.3 | 7.5 |
| Y2-315S-2 | 110 | 150 | 2975 | 94.0 | 0.91 | 197 | 187 | 180 | 353.1 | 1.8 | 2.2 | 7.1 |
| Y2-315M-2 | 132 | 180 | 2975 | 94.5 | 0.91 | 235 | 224 | 216 | 423.7 | 1.8 | 2.2 | 7.1 |
| Y2-315L1-2 | 160 | 200 | 2975 | 94.6 | 0.92 | 281 | 267 | 258 | 513.6 | 1.8 | 2.2 | 7.1 |
| Y2-315L2-2 | 200 | 270 | 2975 | 94.8 | 0.92 | 351 | 333 | 321 | 642 | 1.8 | 2.2 | 7.1 |
| Y2-355M-2 | 250 | 340 | 2980 | 95.2 | 0.92 | 438 | 416 | 401 | 801.2 | 1.6 | 2.2 | 7.1 |
| Y2-355L-2 | 315 | 430 | 2980 | 95.4 | 0.92 | 552 | 524 | 505 | 1009 | 1.6 | 2.2 | 7.1 |
IE1 Technical Parameter SPEED 1500RPM 4-POLE 50Hz
| Type | Rated output | Rated Speed (r/min) | Eff (%) | Power Factor (cosΦ) | Current(A) | Rated Torque (Nm) | Ts/Tn | Tmax/Tn | Is/In | |||
| KW | Hp | 380V 50Hz | 400V 50Hz | 415V 50Hz | ||||||||
| Y2-63 1-4 | 0.12 | 0.17 | 1310 | 57.0 | 0.72 | 0.44 | 0.42 | 0.41 | 0.90 | 2.1 | 2.2 | 4.4 |
| Y2-63 2-4 | 0.18 | 0.25 | 1310 | 60.0 | 0.73 | 0.62 | 0.59 | 0.57 | 1.30 | 2.1 | 2.2 | 4.4 |
| Y2-71 1-4 | 0.25 | 0.37 | 1330 | 65.0 | 0.74 | 0.79 | 0.75 | 0.72 | 1.80 | 2.1 | 2.2 | 5.2 |
| Y2-71 2-4 | 0.37 | 0.5 | 1330 | 67.0 | 0.75 | 1.12 | 1.06 | 1.02 | 2.70 | 2.1 | 2.2 | 5.2 |
| Y2-80 1-4 | 0.55 | 0.75 | 1390 | 71.0 | 0.75 | 1.57 | 1.49 | 1.43 | 3.80 | 2.4 | 2.3 | 5.2 |
| Y2-80 2-4 | 0.75 | 1 | 1390 | 73.0 | 0.76 | 2.08 | 1.97 | 1.90 | 5.20 | 2.3 | 2.3 | 5.2 |
| Y2-90S-4 | 1.1 | 1.5 | 1390 | 76.2 | 0.77 | 2.89 | 2.74 | 2.64 | 7.60 | 2.3 | 2.3 | 5.2 |
| Y2-90L-4 | 1.5 | 2 | 1390 | 78.5 | 0.79 | 3.73 | 3.55 | 3.42 | 10.3 | 2.3 | 2.3 | 5.2 |
| Y2-100L1-4 | 2.2 | 3 | 1390 | 81.0 | 0.81 | 5.17 | 4.91 | 4.74 | 15.1 | 2.3 | 2.3 | 6.0 |
| Y2-100L2-4 | 3 | 4 | 1410 | 82.6 | 0.82 | 6.81 | 6.47 | 6.24 | 20.3 | 2.3 | 2.3 | 6.0 |
| Y2-112M-4 | 4 | 5.5 | 1410 | 84.2 | 0.82 | 8.91 | 8.46 | 8.16 | 27.1 | 2.3 | 2.3 | 7.0 |
| Y2-132S-4 | 5.5 | 7.5 | 1435 | 85.7 | 0.83 | 11.9 | 11.3 | 10.9 | 36.6 | 2.3 | 2.3 | 7.0 |
| Y2-132M-4 | 7.5 | 10 | 1440 | 87.0 | 0.84 | 15.7 | 15.0 | 14.4 | 49.7 | 2.3 | 2.3 | 7.0 |
| Y2-160M-4 | 11 | 15 | 1440 | 88.4 | 0.84 | 22.7 | 21.6 | 20.8 | 73.0 | 2.2 | 2.3 | 7.0 |
| Y2-160L-4 | 15 | 20 | 1450 | 89.4 | 0.85 | 30.2 | 28.7 | 27.6 | 98.8 | 2.2 | 2.3 | 7.5 |
| Y2-180M-4 | 18.5 | 25 | 1460 | 90.0 | 0.86 | 36.4 | 34.5 | 33.3 | 121.0 | 2.2 | 2.3 | 7.5 |
| Y2-180L-4 | 22 | 30 | 1470 | 90.5 | 0.86 | 43.1 | 41.0 | 39.5 | 142.9 | 2.2 | 2.3 | 7.5 |
| Y2-200L-4 | 30 | 40 | 1470 | 91.4 | 0.86 | 58.4 | 55.5 | 53.4 | 194.9 | 2.2 | 2.3 | 7.2 |
| Y2-225S-4 | 37 | 50 | 1470 | 92.0 | 0.87 | 70.8 | 67.2 | 64.8 | 240.4 | 2.2 | 2.3 | 7.2 |
| Y2-225M-4 | 45 | 60 | 1475 | 92.5 | 0.87 | 85.7 | 81.4 | 78.5 | 291.4 | 2.2 | 2.3 | 7.2 |
| Y2-250M-4 | 55 | 75 | 1475 | 93.0 | 0.87 | 104 | 98.9 | 95.3 | 356.1 | 2.2 | 2.3 | 7.2 |
| Y2-280S-4 | 75 | 100 | 1480 | 93.6 | 0.87 | 141 | 134 | 129 | 484.0 | 2.2 | 2.3 | 7.2 |
| Y2-280M-4 | 90 | 125 | 1480 | 93.9 | 0.87 | 169 | 160 | 154 | 580.7 | 2.2 | 2.3 | 7.2 |
| Y2-315S-4 | 110 | 150 | 1480 | 94.5 | 0.88 | 203 | 193 | 186 | 709.8 | 2.1 | 2.2 | 6.9 |
| Y2-315M-4 | 132 | 180 | 1480 | 94.8 | 0.88 | 243 | 231 | 223 | 851.8 | 2.1 | 2.2 | 6.9 |
| Y2-315L1-4 | 160 | 200 | 1480 | 94.9 | 089 | 291 | 276 | 266 | 1032 | 2.1 | 2.2 | 6.9 |
| Y2-315L2-4 | 200 | 270 | 1480 | 94.9 | 0.89 | 363 | 345 | 332 | 1291 | 2.1 | 2.2 | 6.9 |
| Y2-355M-4 | 250 | 340 | 1490 | 95.2 | 0.90 | 449 | 426 | 411 | 1602 | 2.1 | 2.2 | 6.9 |
| Y2-355L-4 | 315 | 430 | 1490 | 95.2 | 0.90 | 565 | 537 | 517 | 2019 | 2.1 | 2.2 | 6.9 |
IE1 Technical Parameter SPEED 1000RPM 6-POLE 50Hz
| Type | Rated output | Rated Speed (r/min) | Eff (%) | Power Factor (cosΦ) | Current(A) | Rated Torque (Nm) | Ts/Tn | Tmax/Tn | Is/In | |||
| KW | Hp | 380V 50Hz | 400V 50Hz | 415V 50Hz | ||||||||
| Y2-71 1-6 | 0.18 | 0.25 | 850 | 56.0 | 0.66 | 0.74 | 0.70 | 0.68 | 2.00 | 1.9 | 2.0 | 4.0 |
| Y2-71 2-6 | 0.25 | 0.37 | 850 | 59.0 | 0.68 | 0.95 | 0.90 | 0.87 | 2.80 | 1.9 | 2.0 | 4.0 |
| Y2-80 1-6 | 0.37 | 0.5 | 885 | 62.0 | 0.70 | 1.30 | 1.23 | 1.19 | 4.00 | 1.9 | 2.0 | 4.7 |
| Y2-80 2-6 | 0.55 | 0.75 | 885 | 65.0 | 0.72 | 1.78 | 1.69 | 1.63 | 5.90 | 1.9 | 2.1 | 4.7 |
| Y2-90S-6 | 0.75 | 1 | 910 | 69.0 | 0.72 | 2.26 | 2.15 | 2.07 | 7.90 | 2.0 | 2.1 | 5.5 |
| Y2-90L-6 | 1.1 | 1.5 | 910 | 72.0 | 0.73 | 3.14 | 2.98 | 2.87 | 11.5 | 2.0 | 2.1 | 5.5 |
| Y2-100L-6 | 1.5 | 2 | 920 | 76.0 | 0.75 | 4.04 | 3.83 | 3.70 | 15.6 | 2.0 | 2.1 | 5.5 |
| Y2-112M-6 | 2.2 | 3 | 935 | 79.0 | 0.76 | 5.65 | 5.36 | 5.17 | 22.5 | 2.0 | 2.1 | 6.0 |
| Y2-132S-6 | 3 | 4 | 940 | 81.0 | 0.76 | 7.52 | 7.14 | 6.88 | 30.5 | 2.1 | 2.1 | 6.0 |
| Y2-132M1-6 | 4 | 5.5 | 945 | 82.0 | 0.76 | 9.80 | 9.31 | 8.97 | 40.4 | 2.1 | 2.1 | 6.0 |
| Y2-132M2-6 | 5.5 | 7.5 | 945 | 84.0 | 0.77 | 13.1 | 12.4 | 12.0 | 55.6 | 2.1 | 2.1 | 6.0 |
| Y2-160M-6 | 7.5 | 10 | 950 | 86.0 | 0.77 | 17.4 | 16.6 | 16.0 | 75.4 | 2.0 | 2.1 | 6.0 |
| Y2-160L-6 | 11 | 15 | 950 | 87.5 | 0.78 | 22.2 | 21.1 | 20.3 | 110.6 | 2.0 | 2.1 | 6.0 |
| Y2-180L-6 | 15 | 20 | 970 | 89.0 | 0.81 | 32.0 | 30.4 | 29.3 | 147.7 | 2.0 | 2.1 | 7.0 |
| Y2-200L1-6 | 18.5 | 25 | 980 | 90.0 | 0.81 | 39.1 | 37.2 | 35.8 | 180.3 | 2.1 | 2.1 | 7.0 |
| Y2-200L2-6 | 22 | 30 | 980 | 90.0 | 0.83 | 45.1 | 42.8 | 41.3 | 214.4 | 2.1 | 2.1 | 7.0 |
| Y2-225M-6 | 30 | 40 | 980 | 91.5 | 0.84 | 60.1 | 57.1 | 55.0 | 292.3 | 2.0 | 2.1 | 7.0 |
| Y2-250M-6 | 37 | 50 | 980 | 92.0 | 0.86 | 71.9 | 68.3 | 65.8 | 360.6 | 2.1 | 2.1 | 7.0 |
| Y2-280S-6 | 45 | 60 | 980 | 92.5 | 0.86 | 85.8 | 81.5 | 78.5 | 438.5 | 2.1 | 2.0 | 7.0 |
| Y2-280M-6 | 55 | 75 | 980 | 92.8 | 0.86 | 104 | 99.2 | 95.6 | 536.0 | 2.1 | 2.0 | 7.0 |
| Y2-315S-6 | 75 | 100 | 990 | 93.5 | 0.86 | 141 | 134 | 129 | 727.2 | 2.0 | 2.0 | 7.0 |
| Y2-315M-6 | 90 | 125 | 990 | 93.8 | 0.86 | 168 | 160 | 155 | 872.6 | 2.0 | 2.0 | 7.0 |
| Y2-315L1-6 | 110 | 150 | 990 | 94.0 | 0.86 | 206 | 196 | 189 | 1066 | 2.0 | 2.0 | 6.7 |
| Y2-315L2-6 | 132 | 180 | 990 | 94.2 | 0.87 | 243 | 231 | 223 | 1280 | 2.0 | 2.0 | 6.7 |
| Y2-355M-6 | 160 | 200 | 990 | 94.5 | 0.88 | 291 | 277 | 267 | 1543 | 1.9 | 2.0 | 6.7 |
| Y2-355L-6 | 250 | 340 | 990 | 94.5 | 0.88 | 454 | 432 | 416 | 2412 | 1.9 | 2.0 | 6.7 |
IE2 Technical Parameter SPEED 3000RPM 2-POLE 50Hz
| Type | Rated output | Rated Speed (r/min) | Eff (100%) | Power Factor (cosΦ) | Current(A) | Rated Torque (Nm) | Ts/Tn | Tmax/Tn | Is/ln | |||
| KW | Hp | 380V 50Hz | 400V 50Hz | 415V 50Hz | ||||||||
| IE2-63 1-2 | 0.18 | 0.25 | 2750 | 60.4 | 0.80 | 0.57 | 0.54 | 0.52 | 0.63 | 2.2 | 2.3 | 6.8 |
| IE2-63 2-2 | 0.25 | 0.37 | 2750 | 64.8 | 0.81 | 0.72 | 0.69 | 0.66 | 0.87 | 2.2 | 2.3 | 6.8 |
| IE2-71 1-2 | 0.37 | 0.5 | 2780 | 69.5 | 0.81 | 1.00 | 0.95 | 0.92 | 1.27 | 2.2 | 2.3 | 6.8 |
| IE2-71 2-2 | 0.55 | 0.75 | 2800 | 74.1 | 0.82 | 1.38 | 1.31 | 1.26 | 1.88 | 2.2 | 2.3 | 6.8 |
| IE2-80 1-2 | 0.75 | 1 | 2830 | 77.4 | 0.83 | 1.78 | 1.69 | 1.63 | 2.53 | 2.3 | 2.3 | 7.0 |
| IE2-80 2-2 | 1.1 | 1.5 | 2830 | 79.6 | 0.84 | 2.50 | 2.38 | 2.29 | 3.71 | 2.3 | 2.3 | 7.0 |
| IE2-90S-2 | 1.5 | 2 | 2840 | 81.3 | 0.84 | 3.34 | 3.17 | 3.06 | 5.04 | 2.3 | 2.3 | 7.1 |
| IE2-90L-2 | 2.2 | 3 | 2840 | 83.2 | 0.85 | 4.73 | 4.50 | 4.33 | 7.40 | 2.3 | 2.3 | 7.1 |
| IE2-100L-2 | 3 | 4 | 2850 | 84.6 | 0.87 | 6.20 | 5.89 | 5.68 | 10.1 | 2.3 | 2.3 | 7.5 |
| IE2-112M-2 | 4 | 5.5 | 2855 | 85.8 | 0.88 | 8.06 | 7.66 | 7.38 | 13.4 | 2.3 | 2.3 | 7.5 |
| IE2-132S1-2 | 5.5 | 7.5 | 2860 | 87.0 | 0.86 | 11.2 | 10.6 | 10.2 | 18.4 | 2.2 | 2.3 | 7.5 |
| IE2-132S2-2 | 7.5 | 10 | 2860 | 88.1 | 0.88 | 14.7 | 14.0 | 13.5 | 25.0 | 2.2 | 2.3 | 7.6 |
| IE2-160M1-2 | 11 | 15 | 2880 | 89.4 | 0.89 | 21.0 | 20.0 | 19.3 | 36.5 | 2.2 | 2.3 | 7.8 |
| IE2-160M2-2 | 15 | 20 | 2880 | 90.3 | 0.89 | 28.4 | 27.0 | 26.0 | 49.7 | 2.2 | 2.3 | 7.9 |
| IE2-160L-2 | 18.5 | 25 | 2890 | 90.9 | 0.89 | 34.8 | 33.0 | 31.9 | 61.1 | 2.2 | 2.3 | 7.9 |
| IE2-180M-2 | 22 | 30 | 2890 | 91.3 | 0.89 | 41.2 | 39.1 | 37.7 | 72.7 | 2.2 | 2.3 | 8.2 |
| IE2-200L1-2 | 30 | 40 | 2890 | 92.0 | 0.90 | 55.1 | 52.4 | 50.5 | 99.1 | 2.2 | 2.3 | 7.5 |
| IE2-200L2-2 | 37 | 50 | 2900 | 92.5 | 0.90 | 67.6 | 64.2 | 61.9 | 122 | 2.2 | 2.3 | 7.5 |
| IE2-225M-2 | 45 | 60 | 2910 | 92.9 | 0.90 | 81.9 | 77.8 | 75.0 | 148 | 2.2 | 2.3 | 7.6 |
| IE2-250M-2 | 55 | 75 | 2920 | 93.2 | 0.90 | 99.7 | 94.8 | 91.3 | 180 | 2.2 | 2.3 | 7.6 |
| IE2-280S-2 | 75 | 100 | 2950 | 93.8 | 0.90 | 135 | 128 | 124 | 243 | 2.0 | 2.3 | 6.9 |
| IE2-280M-2 | 90 | 125 | 2950 | 94.1 | 0.91 | 160 | 152 | 146 | 291 | 2.0 | 2.3 | 7.0 |
| IE2-315S-2 | 110 | 150 | 2960 | 94.3 | 0.91 | 195 | 185 | 179 | 355 | 2.0 | 2.2 | 7.1 |
| IE2-315M-2 | 132 | 180 | 2960 | 94.6 | 0.91 | 233 | 222 | 214 | 426 | 2.0 | 2.2 | 7.1 |
| IE2-315L1-2 | 160 | 200 | 2970 | 94.8 | 0.92 | 279 | 265 | 256 | 514 | 2.0 | 2.2 | 7.1 |
| IE2-315L2-2 | 200 | 270 | 2970 | 95.0 | 0.92 | 348 | 331 | 319 | 643 | 2.0 | 2.2 | 7.1 |
| IE2-355M-2 | 250 | 340 | 2980 | 95.0 | 0.92 | 435 | 413 | 398 | 801 | 2.0 | 2.2 | 7.1 |
| IE2-355L-2 | 315 | 430 | 2980 | 95.0 | 0.92 | 548 | 521 | 502 | 1009 | 2.0 | 2.2 | 7.1 |
IE2 Technical Parameter SPEED 1500RPM 4-POLE 50Hz
| Type | Rated output | Rated Speed (r/min) | Eff (100%) | Power Factor (cosΦ) | Current(A) | Rated Torque (Nm) | Ts/Tn | Tmax/Tn | Is/In | |||
| KW | Hp | 380V 50Hz | 400V 50Hz | 415V 50Hz | ||||||||
| IE2-63 1-4 | 0.12 | 0.17 | 1380 | 59.1 | 0.72 | 0.43 | 0.41 | 0.39 | 0.83 | 2.1 | 2.2 | 6.5 |
| IE2-63 2-4 | 0.18 | 0.25 | 1380 | 64.7 | 0.73 | 0.58 | 0.55 | 0.53 | 1.25 | 2.1 | 2.2 | 6.5 |
| IE2-71 1-4 | 0.25 | 0.37 | 1390 | 68.5 | 0.73 | 0.76 | 0.72 | 0.70 | 1.72 | 2.1 | 2.2 | 6.5 |
| IE2-71 2-4 | 0.37 | 0.5 | 1390 | 72.7 | 0.74 | 1.05 | 0.99 | 0.96 | 2.54 | 2.1 | 2.2 | 6.6 |
| IE2-80 1-4 | 0.55 | 0.75 | 1410 | 77.1 | 0.75 | 1.40 | 1.4 | 1.30 | 3.70 | 2.2 | 2.2 | 6.6 |
| IE2-80 2-4 | 0.75 | 1 | 1420 | 79.6 | 0.76 | 1.90 | 1.8 | 1.70 | 5.00 | 2.3 | 2.3 | 6.8 |
| IE2-90S-4 | 1.1 | 1.5 | 1425 | 81.4 | 0.77 | 2.70 | 2.5 | 2.40 | 7.40 | 2.3 | 2.3 | 6.8 |
| IE2-90L-4 | 1.5 | 2 | 1425 | 82.8 | 0.77 | 3.60 | 3.4 | 3.30 | 10.1 | 2.3 | 2.3 | 6.9 |
| IE2-100L1-4 | 2.2 | 3 | 1430 | 84.3 | 0.81 | 4.90 | 4.7 | 4.50 | 14.7 | 2.3 | 2.3 | 6.9 |
| IE2-100L2-4 | 3 | 4 | 1430 | 85.5 | 0.82 | 6.50 | 6.2 | 6.00 | 20.0 | 2.3 | 2.3 | 7.1 |
| IE2-112M-4 | 4 | 5.5 | 1440 | 86.6 | 0.82 | 8.60 | 8.1 | 7.80 | 26.5 | 2.3 | 2.3 | 7.2 |
| IE2-132S-4 | 5.5 | 7.5 | 1450 | 87.7 | 0.83 | 11.5 | 10.9 | 10.5 | 36.2 | 2.0 | 2.3 | 7.2 |
| IE2-132M-4 | 7.5 | 10 | 1450 | 88.7 | 0.84 | 15.3 | 14.5 | 14.0 | 49.4 | 2.0 | 2.3 | 7.3 |
| IE2-160M-4 | 11 | 15 | 1460 | 89.8 | 0.84 | 22.2 | 21.1 | 20.3 | 72.0 | 2.2 | 2.3 | 7.4 |
| IE2-160L-4 | 15 | 20 | 1460 | 90.6 | 0.85 | 29.6 | 28.1 | 27.1 | 98.1 | 2.2 | 2.3 | 7.6 |
| IE2-180M-4 | 18.5 | 25 | 1470 | 91.2 | 0.86 | 35.9 | 34.1 | 32.9 | 120.2 | 2.2 | 2.3 | 7.5 |
| IE2-180L-4 | 22 | 30 | 1470 | 91.6 | 0.86 | 42.5 | 40.4 | 38.9 | 142.9 | 2.2 | 2.3 | 7.7 |
| IE2-200L-4 | 30 | 40 | 1470 | 92.3 | 0.86 | 57.5 | 54.6 | 52.6 | 194.9 | 2.2 | 2.3 | 7.8 |
| IE2-225S-4 | 37 | 50 | 1480 | 92.7 | 0.87 | 69.8 | 66.3 | 63.9 | 238.8 | 2.2 | 2.3 | 7.2 |
| IE2-225M-4 | 45 | 60 | 1480 | 93.1 | 0.87 | 84.5 | 80.3 | 77.4 | 290.4 | 2.2 | 2.3 | 7.3 |
| IE2-250M-4 | 55 | 75 | 1480 | 93.5 | 0.87 | 102.8 | 97.7 | 94.2 | 354.9 | 2.2 | 2.3 | 7.4 |
| IE2-280S-4 | 75 | 100 | 1480 | 93.9 | 0.87 | 139.5 | 132.5 | 127.7 | 484.0 | 2.2 | 2.3 | 7.4 |
| IE2-280M-4 | 90 | 125 | 1480 | 94.2 | 0.87 | 167.0 | 158.7 | 153.0 | 580.7 | 2.2 | 2.3 | 6.7 |
| IE2-315S-4 | 110 | 150 | 1485 | 94.5 | 0.88 | 201.2 | 191.1 | 184.2 | 707.4 | 2.2 | 2.2 | 6.9 |
| IE2-315M-4 | 132 | 180 | 1485 | 94.7 | 0.88 | 240.9 | 228.9 | 220.6 | 848.9 | 2.2 | 2.2 | 6.9 |
| IE2-315L1-4 | 160 | 200 | 1485 | 94.9 | 0.89 | 288.2 | 273.8 | 263.9 | 1029.0 | 2.2 | 2.2 | 6.9 |
| IE2-315L2-4 | 200 | 270 | 1485 | 95.1 | 0.89 | 359.4 | 341.5 | 329.1 | 1286.2 | 2.2 | 2.2 | 6.9 |
| IE2-355M-4 | 250 | 340 | 1490 | 95.1 | 0.90 | 444.3 | 422.1 | 406.8 | 1602.3 | 2.2 | 2.2 | 6.9 |
| IE2-355L-4 | 315 | 430 | 1490 | 95.1 | 0.90 | 559.8 | 531.8 | 512.6 | 2019.0 | 2.2 | 2.2 | 6.9 |
IE2 Technical Parameter SPEED 1000RPM 6-POLE 50HZ
| Type | Rated output | Rated Speed (r/min) | Eff (100%) | Power Factor (cosΦ) | Current(A) | Rated Torque (Nm) | Ts/Tn | Tmax/Tn | Is/In | |||
| KW | Hp | 380V 50Hz | 400V 50Hz | 415V 50Hz | ||||||||
| IE2-71 1-6 | 0.18 | 0.25 | 910 | 56.6 | 0.66 | 0.73 | 0.70 | 0.67 | 1.89 | 2.0 | 2.0 | 5.8 |
| IE2-71 2-6 | 0.25 | 0.37 | 910 | 61.6 | 0.67 | 0.92 | 0.88 | 0.84 | 2.62 | 2.0 | 2.0 | 5.8 |
| IE2-80 1-6 | 0.37 | 0.5 | 920 | 67.6 | 0.68 | 1.22 | 1.16 | 1.12 | 3.84 | 2.0 | 2.1 | 6.0 |
| IE2-80 2-6 | 0.55 | 0.75 | 930 | 73.1 | 0.69 | 1.66 | 1.58 | 1.52 | 5.65 | 2.1 | 2.2 | 6.0 |
| IE2-90S-6 | 0.75 | 1 | 935 | 75.9 | 0.72 | 2.10 | 2.00 | 1.90 | 7.70 | 2.1 | 2.2 | 6.1 |
| IE2-90L-6 | 1.1 | 1.5 | 935 | 78.1 | 0.72 | 3.00 | 2.80 | 2.70 | 11.2 | 2.1 | 2.2 | 6.1 |
| IE2-100L-6 | 1.5 | 2 | 940 | 79.8 | 0.75 | 3.80 | 3.60 | 3.50 | 15.2 | 2.1 | 2.2 | 6.2 |
| IE2-112M-6 | 2.2 | 3 | 945 | 81.8 | 0.76 | 5.40 | 5.10 | 4.90 | 22.2 | 2.1 | 2.2 | 6.2 |
| IE2-132S-6 | 3 | 4 | 950 | 83.3 | 0.76 | 7.20 | 6.80 | 6.60 | 30.2 | 2.1 | 2.3 | 6.3 |
| IE2-132M1-6 | 4 | 5.5 | 950 | 84.6 | 0.76 | 9.50 | 9.00 | 8.70 | 40.2 | 2.1 | 2.3 | 6.3 |
| IE2-132M2-6 | 5.5 | 7.5 | 955 | 86 | 0.77 | 12.6 | 12.0 | 11.6 | 55.0 | 2.1 | 2.3 | 6.5 |
| IE2-160M-6 | 7.5 | 10 | 960 | 87.2 | 0.78 | 16.8 | 15.9 | 15.4 | 74.6 | 2.1 | 2.3 | 6.5 |
| IE2-160L-6 | 11 | 15 | 960 | 88.7 | 0.78 | 24.2 | 23.0 | 22.1 | 109.4 | 2.1 | 2.3 | 6.5 |
| IE2-180L-6 | 15 | 20 | 975 | 89.7 | 0.81 | 31.4 | 29.8 | 28.8 | 146.9 | 2.0 | 2.1 | 7.2 |
| IE2-200L1-6 | 18.5 | 25 | 980 | 90.4 | 0.81 | 38.4 | 36.5 | 35.2 | 180.3 | 2.1 | 2.1 | 7.2 |
| IE2-200L2-6 | 22 | 30 | 980 | 90.9 | 0.83 | 44.4 | 42.1 | 40.6 | 214.4 | 2.1 | 2.1 | 7.3 |
| IE2-225M-6 | 30 | 40 | 980 | 91.7 | 0.84 | 59.2 | 56.3 | 54.2 | 292.3 | 2 | 2.1 | 7.1 |
| IE2-250M-6 | 37 | 50 | 980 | 92.2 | 0.86 | 71.0 | 67.4 | 65.0 | 360.6 | 2.1 | 2.1 | 7.1 |
| IE2-280S-6 | 45 | 60 | 980 | 92.7 | 0.86 | 85.9 | 81.6 | 78.6 | 438.5 | 2.1 | 2.0 | 7.2 |
| IE2-280M-6 | 55 | 75 | 980 | 93.1 | 0.86 | 104.5 | 99.3 | 95.7 | 536.0 | 2.1 | 2.0 | 7.2 |
| IE2-315S-6 | 75 | 100 | 985 | 93.7 | 0.86 | 141.6 | 134.5 | 129.6 | 727.2 | 2.0 | 2.0 | 6.7 |
| IE2-315M-6 | 90 | 125 | 985 | 94 | 0.86 | 169.4 | 160.9 | 155.1 | 872.6 | 2.0 | 2.0 | 6.7 |
| IE2-315L1-6 | 110 | 150 | 985 | 94.3 | 0.86 | 206.3 | 196.0 | 188.9 | 1066.5 | 2.0 | 2.0 | 6.7 |
| IE2-315L2-6 | 132 | 180 | 985 | 94.6 | 0.87 | 244.0 | 231.8 | 223.4 | 1279.8 | 2.0 | 2.0 | 6.7 |
| IE2-355M1-6 | 160 | 200 | 990 | 94.8 | 0.88 | 291.7 | 277.2 | 267.1 | 1543.4 | 2.0 | 2.0 | 6.7 |
| IE2-355M2-6 | 200 | 270 | 990 | 95.0 | 0.88 | 363.9 | 345.7 | 333.2 | 1929.3 | 2.0 | 2.0 | 6.7 |
| IE2-355L-6 | 250 | 340 | 990 | 95.0 | 0.88 | 454.9 | 432.1 | 416.5 | 2411.6 | 2.0 | 2.0 | 6.7 |

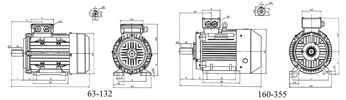
External dimensions IM B3 H63-355
| Type | Poles | A | AA | AB | AC | AD | AG | B | BB | C | D | DH | E | EB | ED | F | G | GA | H | HA | K | KK | ||||
| 63 | 2, 4, 6 | 100 | 34 | 126 | 120 | 104 | 81 | 80 | 102 | 40 | 11 | M4×12 | 23 | 16 | 3.5 | 4 | 8.5 | 12.5 | 63 | 9 | 4-Φ7 | 1-M16×1.5 | 220 | 86 | 81 | |
| 71 | 2, 4, 6 | 112 | 34 | 140 | 136 | 112 | 81 | 90 | 114 | 45 | 14 | M5×12 | 30 | 25 | 2.5 | 5 | 11 | 16 | 71 | 10 | 4-Φ8 | 1-M20×1.5 | 246 | 99 | 81 | |
| 80 | 2, 4, 6, 8 | 125 | 34 | 160 | 158 | 147 | 104 | 100 | 150 | 50 | 19 | M6×16 | 40 | 30 | 5 | 6 | 15.5 | 21.5 | 80 | 10 | 4-Φ10 | 2-M25×1.5 | 304 | 119 | 104 | |
| 90S | 2, 4, 6, 8 | 140 | 36 | 176 | 175 | 155 | 104 | 100 | 161 | 56 | 24 | MB×19 | 50 | 40 | 5 | 8 | 20 | 27 | 90 | 12 | 4-Φ10 | 2-M25×1.5 | 336 | 143 | 104 | |
| 90L | 2, 4, 6, 8 | 140 | 36 | 176 | 175 | 155 | 104 | 125 | 186 | 56 | 24 | M8×19 | 50 | 40 | 5 | 8 | 20 | 27 | 90 | 12 | 4-Φ10 | 2-M25×1.5 | 361 | 143 | 104 | |
| 100L | 2, 4, 6, 8 | 160 | 40 | 200 | 198 | 166 | 104 | 140 | 213 | 63 | 28 | M10×22 | 60 | 50 | 5 | 8 | 24 | 31 | 100 | 14 | 4-Φ12 | 2-M25×1.5 | 406 | 147 | 104 | |
| 112M | 2, 4, 6, 8 | 190 | 50 | 240 | 219 | 182 | 124 | 140 | 225 | 70 | 28 | M10×22 | 60 | 50 | 5 | 8 | 24 | 31 | 112 | 15 | 4-Φ12 | 2-M32×1.5 | 452 | 147 | 114 | |
| 132S | 2, 4, 6, 8 | 216 | 55 | 262 | 258 | 203 | 124 | 140 | 200 | 89 | 38 | M12×28 | 80 | 65 | 7.5 | 10 | 33 | 41 | 132 | 18 | 4-Φ12 | 2-M32×1.5 | 470 | 172 | 114 | |
| 132M | 4, 6, 8 | 216 | 55 | 262 | 258 | 203 | 124 | 178 | 238 | 89 | 38 | M12×28 | 80 | 65 | 7.5 | 10 | 33 | 41 | 132 | 18 | 4-Φ12 | 2-M32×1.5 | 508 | 172 | 114 | |
| 160M | 2, 4, 6, 8 | 254 | 65 | 314 | 315 | 251 | 162 | 210 | 260 | 108 | 42 | M16×36 | 110 | 90 | 10 | 12 | 37 | 45 | 160 | 20 | 4-Φ14.5 | 2-M40×1.5 | 608 | 256 | 154 | |
| 160L | 2, 4, 6, 8 | 254 | 65 | 314 | 315 | 251 | 162 | 254 | 304 | 108 | 42 | M16×36 | 110 | 90 | 10 | 12 | 37 | 45 | 160 | 20 | 4-Φ14.5 | 2-M40×1.5 | 652 | 256 | 154 | |
| 180M | 2, 4, 8 | 279 | 70 | 349 | 355 | 267 | 162 | 241 | 311 | 121 | 48 | M16×36 | 110 | 90 | 10 | 14 | 42.5 | 51.5 | 180 | 22 | 4-Φ14.5 | 2-M40×1.5 | 688 | 271 | 154 | |
| 180L | 4, 6, 8 | 279 | 70 | 349 | 355 | 267 | 162 | 279 | 349 | 121 | 48 | M16×36 | 110 | 90 | 10 | 14 | 42.5 | 51.5 | 180 | 22 | 4-Φ14.5 | 2-M40×1.5 | 726 | 271 | 154 | |
| 200L | 2, 4, 6, 8 | 318 | 70 | 388 | 397 | 299 | 210 | 305 | 369 | 133 | 55 | M20×42 | 110 | 100 | 5 | 16 | 49 | 59 | 200 | 25 | 4-Φ16.5 | 2-M50×1.5 | 779 | 296 | 190 | |
| 225S | 4, 8 | 356 | 75 | 431 | 446 | 322 | 210 | 286 | 368 | 149 | 60 | M20×42 | 140 | 125 | 7.5 | 18 | 53 | 64 | 225 | 28 | 4-Φ18.5 | 2-M50×1.5 | 824 | 329 | 190 | |
| 225M | 2 | 356 | 75 | 431 | 446 | 322 | 210 | 311 | 393 | 149 | 55 | M20×42 | 110 | 100 | 5 | 16 | 49 | 59 | 225 | 28 | 4-Φ18.5 | 2-M50×1.5 | 819 | 299 | 190 | |
| 225M | 4, 6, 8 | 356 | 75 | 431 | 446 | 322 | 210 | 311 | 393 | 149 | 60 | M20×42 | 140 | 125 | 7.5 | 18 | 53 | 64 | 225 | 28 | 4-Φ18.5 | 2-M50×1.5 | 849 | 329 | 190 | |
| 250M | 2 | 406 | 80 | 484 | 485 | 358 | 248 | 349 | 445 | 168 | 60 | M20×42 | 140 | 125 | 7.5 | 18 | 53 | 64 | 250 | 30 | 4-Φ24 | 2-M63×1.5 | 910 | 347 | 218 | |
| 250M | 4, 6, 8 | 406 | 80 | 484 | 485 | 358 | 248 | 349 | 445 | 168 | 65 | M20×42 | 140 | 125 | 7.5 | 18 | 58 | 69 | 250 | 30 | 4-Φ24 | 2-M63×1.5 | 910 | 347 | 218 | |
| 280S | 2 | 457 | 85 | 542 | 547 | 387 | 248 | 368 | 485 | 190 | 65 | M20×42 | 140 | 125 | 7.5 | 18 | 58 | 69 | 280 | 35 | 4-Φ24 | 2-M63×1.5 | 982 | 355.5 | 218 | |
| 280S | 4, 6, 8 | 457 | 85 | 542 | 547 | 387 | 248 | 368 | 485 | 190 | 75 | M20×42 | 140 | 125 | 7.5 | 20 | 67.5 | 79.5 | 280 | 35 | 4-Φ24 | 2-M63×1.5 | 982 | 355.5 | 218 | |
| 280M | 2 | 457 | 85 | 542 | 547 | 387 | 248 | 419 | 536 | 190 | 65 | M20×42 | 140 | 125 | 7.5 | 18 | 58 | 69 | 280 | 35 | 4-Φ24 | 2-M63×1.5 | 1033 | 355.5 | 218 | |
| 280M | 4, 6, 8 | 457 | 85 | 542 | 547 | 387 | 248 | 419 | 536 | 190 | 75 | M20×42 | 140 | 125 | 7.5 | 20 | 67.5 | 79.5 | 280 | 35 | 4-Φ24 | 2-M63×1.5 | 1033 | 355.5 | 218 | |
| 315S | 2 | 508 | 120 | 628 | 620 | 527 | 320 | 406 | 570 | 216 | 65 | M20×42 | 140 | 125 | 7.5 | 18 | 58 | 69 | 315 | 45 | 4-Φ28 | 2-M63×1.5 | 1194 | 397 | 280 | |
| 315S | 4, 6, 8, 10 | 508 | 120 | 628 | 620 | 527 | 320 | 406 | 570 | 216 | 80 | M20×42 | 170 | 160 | 5 | 22 | 71 | 85 | 315 | 45 | 4-Φ28 | 2-M63×1.5 | 1224 | 427 | 280 | |
| 315M | 2 | 508 | 120 | 628 | 620 | 527 | 320 | 457 | 680 | 216 | 65 | M20×42 | 140 | 125 | 7.5 | 18 | 58 | 69 | 315 | 45 | 4-Φ28 | 2-M63×1.5 | 1304 | 397 | 280 | |
| 315M | 4, 6, 8, 10 | 508 | 120 | 628 | 620 | 527 | 320 | 457 | 680 | 216 | 80 | M20×42 | 170 | 160 | 5 | 22 | 71 | 85 | 315 | 45 | 4-Φ28 | 2-M63×1.5 | 1334 | 427 | 280 | |
| 315L | 2 | 508 | 120 | 628 | 620 | 527 | 320 | 508 | 680 | 216 | 65 | M20×42 | 140 | 125 | 7.5 | 18 | 58 | 69 | 315 | 45 | 4-Φ28 | 2-M63×1.5 | 1304 | 397 | 280 | |
| 315L | 4, 6, 8, 10 | 508 | 120 | 628 | 620 | 527 | 320 | 508 | 680 | 216 | 80 | M20×42 | 170 | 160 | 5 | 22 | 71 | 85 | 315 | 45 | 4-Φ28 | 2-M63×1.5 | 1334 | 427 | 280 | |
| 355M | 2 | 610 | 116 | 726 | 698 | 642 | 380 | 560 | 750 | 254 | 75 | M20×50 | 140 | 130 | 5 | 20 | 67.5 | 79.5 | 355 | 52 | 6-Φ28 | 2-M63×1.5 | 1486 | 414 | 330 | |
| 355M | 4, 6, 8, 10 | 610 | 116 | 726 | 698 | 642 | 380 | 560 | 750 | 254 | 95 | M24×50 | 170 | 160 | 5 | 25 | 86 | 100 | 355 | 52 | 6-Φ28 | 2-M63×1.5 | 1516 | 444 | 330 | |
| 355L | 2 | 610 | 116 | 726 | 698 | 642 | 380 | 630 | 750 | 254 | 75 | M20×50 | 140 | 130 | 5 | 20 | 67.5 | 79.5 | 355 | 52 | 6-Φ28 | 2-M63×1.5 | 1486 | 414 | 330 | |
| 355L | 4, 6, 8, 10 | 610 | 116 | 726 | 698 | 642 | 380 | 630 | 750 | 254 | 95 | M24×50 | 170 | 160 | 5 | 25 | 86 | 100 | 355 | 52 | 6-Φ28 | 2-M63×1.5 | 1516 | 444 | 330 | |

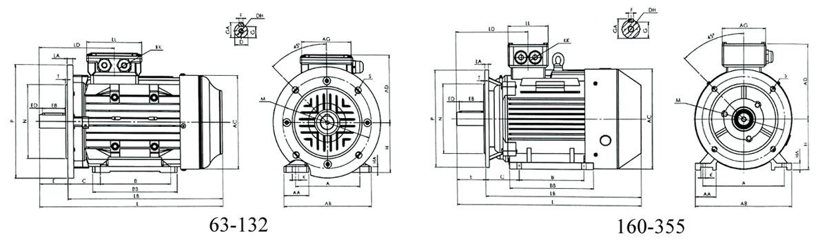
External dimensions IM B5 H63-355
| Type | Poles | AC | AD | AG | D | DH | E | EB | ED | F | G | GA | HD | KK | M | N | P | T | ||||||
| 63 | 2, 4, 6 | 120 | 104 | 81 | 11 | M4×12 | 23 | 16 | 3.5 | 4 | 8.5 | 12.5 | 173 | 1-M16×1.5 | 220 | 9 | 197 | 86 | 81 | 115 | 95 | 140 | 10 | 3 |
| 71 | 2, 4, 6 | 136 | 112 | 81 | 14 | M5×12 | 30 | 25 | 2.5 | 5 | 11 | 16 | 192 | 1-M20×1.5 | 246 | 10 | 216 | 99 | 81 | 130 | 110 | 160 | 10 | 3 |
| 80 | 2, 4, 6, 8 | 158 | 147 | 104 | 19 | M6×16 | 40 | 30 | 5 | 6 | 15.5 | 21.5 | 254.5 | 1-M25×1.5 | 304 | 12 | 264 | 112 | 104 | 165 | 130 | 200 | 12 | 3.5 |
| 90S | 2, 4, 6, 8 | 175 | 155 | 104 | 24 | M8×19 | 50 | 40 | 5 | 8 | 20 | 27 | 262 | 1-M25×1.5 | 336 | 12 | 286 | 130 | 104 | 165 | 130 | 200 | 12 | 3.5 |
| 90L | 2, 4, 6, 8 | 175 | 155 | 104 | 24 | M8×19 | 50 | 40 | 5 | 8 | 20 | 27 | 262 | 1-M25×1.5 | 361 | 12 | 311 | 130 | 104 | 165 | 130 | 200 | 12 | 3.5 |
| 100L | 2, 4, 6, 8 | 198 | 166 | 104 | 28 | M10×22 | 60 | 50 | 5 | 8 | 24 | 31 | 298.5 | 1-M32×1.5 | 406 | 13 | 346 | 139 | 104 | 215 | 180 | 250 | 14.5 | 4 |
| 112M | 2, 4, 6, 8 | 219 | 182 | 124 | 28 | M10×22 | 60 | 50 | 5 | 8 | 24 | 31 | 315 | 2-M32×1.5 | 452 | 14 | 392 | 147 | 114 | 215 | 180 | 250 | 14.5 | 4 |
| 132S | 2, 4, 6, 8 | 258 | 203 | 124 | 38 | M12×28 | 80 | 65 | 7.5 | 10 | 33 | 41 | 353 | 2-M32×1.5 | 470 | 14 | 390 | 172 | 114 | 265 | 230 | 300 | 14.5 | 4 |
| 132M | 4, 6, 8 | 258 | 203 | 124 | 38 | M12×28 | 80 | 65 | 7.5 | 10 | 33 | 41 | 353 | 2-M32×1.5 | 508 | 14 | 428 | 172 | 114 | 265 | 230 | 300 | 14.5 | 4 |
| 160M | 2, 4, 6, 8 | 315 | 251 | 162 | 42 | M16×36 | 110 | 90 | 10 | 12 | 37 | 45 | 426 | 2-M40×1.5 | 608 | 15 | 498 | 256 | 154 | 300 | 250 | 350 | 18.5 | 5 |
| 160L | 2, 4, 6, 8 | 315 | 251 | 162 | 42 | M16×36 | 110 | 90 | 10 | 12 | 37 | 45 | 426 | 2-M40×1.5 | 652 | 15 | 542 | 256 | 154 | 300 | 250 | 350 | 18.5 | 5 |
| 180M | 2, 4, 8 | 355 | 267 | 162 | 48 | M16×36 | 110 | 90 | 10 | 14 | 42.5 | 51.5 | 444.5 | 2-M40×1.5 | 688 | 15 | 578 | 271 | 154 | 300 | 250 | 350 | 18.5 | 5 |
| 180L | 4, 6, 8 | 355 | 267 | 162 | 48 | M16×36 | 110 | 90 | 10 | 14 | 42.5 | 51.5 | 444.5 | 2-M40×1.5 | 726 | 15 | 616 | 271 | 154 | 300 | 250 | 350 | 18.5 | 5 |
| 200L | 2, 4, 6, 8 | 397 | 299 | 210 | 55 | M20×42 | 110 | 100 | 5 | 16 | 49 | 59 | 449 | 2-M50×1.5 | 779 | 17 | 669 | 296 | 190 | 350 | 300 | 400 | 18.5 | 5 |
| 225S | 4, 8 | 446 | 322 | 210 | 60 | M20×42 | 140 | 125 | 7.5 | 18 | 53 | 64 | 547 | 2-M50×1.5 | 824 | 20 | 684 | 329 | 190 | 400 | 350 | 450 | 18.5 | 5 |
| 225N | 2 | 446 | 322 | 210 | 55 | M20×42 | 110 | 100 | 5 | 16 | 49 | 59 | 547 | 2-M50×1.5 | 819 | 20 | 709 | 299 | 190 | 400 | 350 | 450 | 18.5 | 5 |
| 225M | 4, 6, 8 | 446 | 322 | 210 | 60 | M20×42 | 140 | 125 | 7.5 | 18 | 53 | 64 | 547 | 2-M50×1.5 | 849 | 20 | 709 | 329 | 190 | 400 | 350 | 450 | 18.5 | 5 |
| 250M | 2 | 485 | 358 | 248 | 60 | M20×42 | 140 | 125 | 7.5 | 18 | 53 | 64 | 633 | 2-M63×1.5 | 910 | 22 | 770 | 347 | 218 | 500 | 450 | 550 | 18.5 | 5 |
| 250M | 4, 6, 8 | 485 | 358 | 248 | 65 | M20×42 | 140 | 125 | 7.5 | 18 | 58 | 69 | 633 | 2-M63×1.5 | 910 | 22 | 770 | 347 | 218 | 500 | 450 | 550 | 18.5 | 5 |
| 280S | 2 | 547 | 387 | 248 | 65 | M20×42 | 140 | 125 | 7.5 | 18 | 58 | 69 | 662 | 2-M63×1.5 | 982 | 22 | 842 | 355.5 | 218 | 500 | 450 | 550 | 18.5 | 5 |
| 280S | 4, 6, 8 | 547 | 387 | 248 | 75 | M20×42 | 140 | 125 | 7.5 | 20 | 67.5 | 79.5 | 662 | 2-M63×1.5 | 982 | 22 | 842 | 355.5 | 218 | 500 | 450 | 550 | 18.5 | 5 |
| 280M | 2 | 547 | 387 | 248 | 65 | M20×42 | 140 | 125 | 7.5 | 18 | 58 | 69 | 662 | 2-M63×1.5 | 1033 | 22 | 893 | 355.5 | 218 | 500 | 450 | 550 | 18.5 | 5 |
| 280M | 4, 6, 8 | 547 | 387 | 248 | 75 | M20×42 | 140 | 125 | 1.5 | 20 | 67.5 | 79.5 | 662 | 2-M63×1.5 | 1033 | 22 | 893 | 355.5 | 218 | 500 | 450 | 550 | 18.5 | 5 |
| 315S | 2 | 620 | 527 | 320 | 65 | M20×42 | 140 | 125 | 7.5 | 18 | 58 | 69 | 857 | 2-M63×1.5 | 1194 | 22 | 1054 | 397 | 280 | 600 | 550 | 660 | 24 | 6 |
| 315S | 4, 6, 8, 10 | 620 | 527 | 320 | 80 | M20×42 | 170 | 160 | 5 | 22 | 71 | 85 | 857 | 2-M63×1.5 | 1224 | 22 | 1054 | 427 | 280 | 600 | 550 | 660 | 24 | 6 |
| 315M | 2 | 620 | 527 | 320 | 65 | M20×42 | 140 | 125 | 7.5 | 18 | 58 | 69 | 857 | 2-M63×1.5 | 1304 | 22 | 1164 | 397 | 280 | 600 | 550 | 660 | 24 | 6 |
| 315M | 4, 6, 8, 10 | 620 | 527 | 320 | 80 | M20×42 | 170 | 160 | 5 | 22 | 71 | 85 | 857 | 2-M63×1.5 | 1334 | 22 | 1164 | 427 | 280 | 600 | 550 | 660 | 24 | 6 |
| 315L | 2 | 620 | 527 | 320 | 65 | M20×42 | 140 | 125 | 7.5 | 18 | 58 | 69 | 857 | 2-M63×1.5 | 1304 | 22 | 1164 | 397 | 280 | 600 | 550 | 660 | 24 | 6 |
| 315L | 4, 6, 8, 10 | 620 | 527 | 320 | 80 | M20×42 | 170 | 160 | 5 | 22 | 71 | 85 | 857 | 2-M63×1.5 | 1334 | 22 | 1164 | 427 | 280 | 600 | 550 | 660 | 24 | 6 |
| 355M | 2 | 698 | 642 | 380 | 75 | M20×50 | 140 | 130 | 5 | 20 | 67.5 | 79.5 | 1042 | 2-M63×1.5 | 1486 | 25 | 1346 | 414 | 330 | 740 | 680 | 800 | 24 | 6 |
| 355M | 4, 6, 8, 10 | 698 | 642 | 380 | 95 | M24×50 | 170 | 160 | 5 | 25 | B6 | 100 | 1042 | 2-M63×1.5 | 1516 | 25 | 1346 | 414 | 330 | 740 | 680 | 800 | 24 | 6 |
| 355L | 2 | 698 | 642 | 380 | 75 | M20×50 | 140 | 130 | 5 | 20 | 67.5 | 79.5 | 1042 | 2.M63×1.5 | 1486 | 25 | 1346 | 414 | 330 | 740 | 680 | 800 | 24 | 6 |
| 355L | 4, 6, 8, 10 | 698 | 642 | 380 | 95 | M24×50 | 170 | 160 | 5 | 25 | 86 | 100 | 1042 | 2-M63×1.5 | 1516 | 25 | 1346 | 414 | 330 | 740 | 680 | 800 | 24 | 6 |

External dimensions IM B35 H63-355
| Type | Poles | A | AA | AB | AC | AD | AG | B | BB | C | D | DH | E | EB | ED | F | G | GA | H | HA | K | KK | LA | LB | M | N | P | S | T | ||||
| 63 | 2, 4, 6 | 100 | 34 | 126 | 120 | 104 | 81 | 80 | 102 | 40 | 11 | M4×12 | 23 | 16 | 3.5 | 4 | 8.5 | 12.5 | 63 | 9 | 4-Φ7 | 1-M16×1.5 | 220 | 9 | 197 | 86 | 81 | 115 | 95 | 140 | 10 | 3 | |
| 71 | 2, 4, 6 | 112 | 34 | 140 | 136 | 112 | 81 | 90 | 114 | 45 | 14 | M5×12 | 30 | 25 | 2.5 | 5 | 11 | 16 | 71 | 10 | 4-Φ8 | 1-M20×1.5 | 246 | 10 | 216 | 99 | 81 | 130 | 110 | 160 | 10 | 3 | |
| 80 | 2, 4, 6, 8 | 125 | 34 | 160 | 158 | 147 | 104 | 100 | 150 | 50 | 19 | M6×16 | 40 | 30 | 5 | 6 | 15.5 | 21.5 | 80 | 10 | 4-Φ10 | 1-M25×1.5 | 304 | 12 | 264 | 112 | 104 | 165 | 130 | 200 | 12 | 3.5 | |
| 90S | 2, 4, 6, 8 | 140 | 36 | 176 | 175 | 155 | 104 | 100 | 161 | 56 | 24 | M8×19 | 50 | 40 | 5 | 8 | 20 | 27 | 90 | 12 | 4-Φ10 | 1-M25×1.5 | 336 | 12 | 286 | 130 | 104 | 165 | 130 | 200 | 12 | 3.5 | |
| 90L | 2, 4, 6, 8 | 140 | 36 | 176 | 175 | 155 | 104 | 125 | 186 | 56 | 24 | M8×19 | 50 | 40 | 5 | 8 | 20 | 27 | 90 | 12 | 4-Φ10 | 1-M25×1.5 | 361 | 12 | 311 | 130 | 104 | 165 | 130 | 200 | 12 | 3.5 | |
| 100L | 2, 4, 6, 8 | 160 | 40 | 200 | 198 | 166 | 104 | 140 | 213 | 63 | 28 | M10×22 | 60 | 50 | 5 | 8 | 24 | 31 | 100 | 14 | 4-Φ12 | 1-M25×1.5 | 406 | 13 | 346 | 139 | 104 | 215 | 180 | 250 | 14.5 | 4 | |
| 112M | 2, 4, 6, 8 | 190 | 50 | 240 | 219 | 182 | 124 | 140 | 225 | 70 | 28 | M10×22 | 60 | 50 | 5 | 8 | 24 | 31 | 112 | 15 | 4-Φ12 | 2-M32×1.5 | 452 | 14 | 392 | 147 | 114 | 215 | 180 | 250 | 14.5 | 4 | |
| 132S | 2, 4, 6, 8 | 216 | 55 | 262 | 258 | 203 | 124 | 140 | 200 | 89 | 38 | M12×28 | 80 | 65 | 7.5 | 10 | 33 | 41 | 132 | 18 | 4-Φ12 | 2-M32×1.5 | 470 | 14 | 390 | 172 | 114 | 265 | 230 | 300 | 14.5 | 4 | |
| 132M | 4, 6, 8 | 216 | 55 | 262 | 258 | 203 | 124 | 178 | 238 | 89 | 38 | M12×28 | 80 | 65 | 7.5 | 10 | 33 | 41 | 132 | 18 | 4-Φ12 | 2-M32×1.5 | 508 | 14 | 428 | 172 | 114 | 265 | 230 | 300 | 14.5 | 4 | |
| 160M | 2, 4, 6, 8 | 254 | 65 | 314 | 315 | 251 | 162 | 210 | 260 | 108 | 42 | M16×36 | 110 | 90 | 10 | 12 | 37 | 45 | 160 | 20 | 4-Φ14.5 | 2-M40×1.5 | 608 | 15 | 498 | 256 | 154 | 300 | 250 | 350 | 18.5 | 5 | |
| 160L | 2, 4, 6, 8 | 254 | 65 | 314 | 315 | 251 | 162 | 254 | 304 | 108 | 42 | M16×36 | 110 | 90 | 10 | 12 | 37 | 45 | 160 | 20 | 4-Φ14.5 | 2-M40×1.5 | 652 | 15 | 542 | 256 | 154 | 300 | 250 | 350 | 18.5 | 5 | |
| 180M | 2, 4, 8 | 279 | 70 | 349 | 355 | 267 | 162 | 241 | 311 | 121 | 48 | M16×36 | 110 | 90 | 10 | 14 | 42.5 | 51.5 | 180 | 22 | 4-Φ14.5 | 2-M40×1.5 | 688 | 15 | 578 | 271 | 154 | 300 | 250 | 350 | 18.5 | 5 | |
| 180L | 4, 6, 8 | 279 | 70 | 349 | 355 | 267 | 162 | 279 | 349 | 121 | 48 | M16×36 | 110 | 90 | 10 | 14 | 42.5 | 51.5 | 180 | 22 | 4-Φ14.5 | 2-M40×1.5 | 726 | 15 | 616 | 271 | 154 | 300 | 250 | 350 | 18.5 | 5 | |
| 200L | 2, 4, 6, 8 | 318 | 70 | 388 | 397 | 299 | 210 | 305 | 369 | 133 | 55 | M20×42 | 110 | 100 | 5 | 16 | 49 | 59 | 200 | 25 | 4-Φ16.5 | 2-M50×1.5 | 779 | 17 | 669 | 296 | 190 | 350 | 300 | 400 | 18.5 | 5 | |
| 225S | 4, 8 | 356 | 75 | 431 | 446 | 322 | 210 | 286 | 368 | 149 | 60 | M20×42 | 140 | 125 | 7.5 | 18 | 53 | 64 | 225 | 28 | 4-Φ18.5 | 2-M50×1.5 | 824 | 20 | 684 | 329 | 190 | 400 | 350 | 450 | 18.5 | 5 | |
| 225M | 2 | 356 | 75 | 431 | 446 | 322 | 210 | 311 | 393 | 149 | 55 | M20×42 | 110 | 100 | 5 | 16 | 49 | 59 | 225 | 28 | 4-Φ18.5 | 2-M50×1.5 | 819 | 20 | 709 | 299 | 190 | 400 | 350 | 450 | 18.5 | 5 | |
| 225M | 4, 6, 8 | 356 | 75 | 431 | 446 | 322 | 210 | 311 | 393 | 149 | 60 | M20×42 | 140 | 125 | 7.5 | 18 | 53 | 64 | 225 | 28 | 4-Φ18.5 | 2-M50×1.5 | 849 | 20 | 709 | 329 | 190 | 400 | 350 | 450 | 18.5 | 5 | |
| 250M | 2 | 406 | 80 | 484 | 485 | 358 | 248 | 349 | 445 | 168 | 60 | M20×42 | 140 | 125 | 7.5 | 18 | 53 | 64 | 250 | 30 | 4-Φ24 | 2-M63×1.5 | 910 | 22 | 770 | 347 | 218 | 500 | 450 | 550 | 18.5 | 5 | |
| 250M | 4, 6, 8 | 406 | 80 | 484 | 485 | 358 | 248 | 349 | 445 | 168 | 65 | M20×42 | 140 | 125 | 7.5 | 18 | 58 | 69 | 250 | 30 | 4-Φ24 | 2-M63×1.5 | 910 | 22 | 770 | 347 | 218 | 500 | 450 | 550 | 18.5 | 5 | |
| 280S | 2 | 457 | 85 | 542 | 547 | 387 | 248 | 368 | 485 | 190 | 65 | M20×42 | 140 | 125 | 7.5 | 18 | 58 | 69 | 280 | 35 | 4-Φ24 | 2-M63×1.5 | 982 | 22 | 842 | 356 | 218 | 500 | 450 | 550 | 18.5 | 5 | |
| 280S | 4, 6, 8 | 457 | 85 | 542 | 547 | 387 | 248 | 368 | 485 | 190 | 75 | M20×42 | 140 | 125 | 7.5 | 20 | 67.5 | 79.5 | 280 | 35 | 4-Φ24 | 2-M63×1.5 | 982 | 22 | 842 | 356 | 218 | 500 | 450 | 550 | 18.5 | 5 | |
| 280M | 2 | 457 | 85 | 542 | 547 | 387 | 248 | 419 | 536 | 190 | 65 | M20×42 | 140 | 125 | 7.5 | 18 | 58 | 69 | 280 | 35 | 4-Φ24 | 2-M63×1.5 | 1033 | 22 | 893 | 356 | 218 | 500 | 450 | 550 | 18.5 | 5 | |
| 280M | 4, 6, 8 | 457 | 85 | 542 | 547 | 387 | 248 | 419 | 536 | 190 | 75 | M20×42 | 140 | 125 | 7.5 | 20 | 67.5 | 79.5 | 280 | 35 | 4-Φ24 | 2-M63×1.5 | 1033 | 22 | 893 | 356 | 218 | 500 | 450 | 550 | 18.5 | 5 | |
| 315S | 2 | 508 | 120 | 628 | 620 | 527 | 320 | 406 | 570 | 216 | 65 | M20×42 | 140 | 125 | 7.5 | 18 | 58 | 69 | 315 | 45 | 4-Φ28 | 2-M63×1.5 | 1194 | 22 | 1054 | 397 | 280 | 600 | 550 | 660 | 24 | 6 | |
| 315S | 4, 6, 8, 10 | 508 | 120 | 628 | 620 | 527 | 320 | 406 | 570 | 216 | 80 | M20×42 | 170 | 160 | 5 | 22 | 71 | 85 | 315 | 45 | 4-Φ28 | 2-M63×1.5 | 1224 | 22 | 1054 | 427 | 280 | 600 | 550 | 660 | 24 | 6 | |
| 315M | 2 | 508 | 120 | 628 | 620 | 527 | 320 | 457 | 680 | 216 | 65 | M20×42 | 140 | 125 | 7.5 | 18 | 58 | 69 | 315 | 45 | 4-Φ28 | 2-M63×1.5 | 1304 | 22 | 1164 | 397 | 280 | 600 | 550 | 660 | 24 | 6 | |
| 315M | 4, 6, 8, 10 | 508 | 120 | 628 | 620 | 527 | 320 | 457 | 680 | 216 | 80 | M20×42 | 170 | 160 | 5 | 22 | 71 | 85 | 315 | 45 | 4-Φ28 | 2-M63×1.5 | 1334 | 22 | 1164 | 427 | 280 | 600 | 550 | 660 | 24 | 6 | |
| 315L | 2 | 508 | 120 | 628 | 620 | 527 | 320 | 508 | 680 | 216 | 65 | M20×42 | 140 | 125 | 7.5 | 18 | 58 | 69 | 315 | 45 | 4-Φ28 | 2-M63×1.5 | 1304 | 22 | 1164 | 397 | 280 | 600 | 550 | 660 | 24 | 6 | |
| 315L | 4, 6, 8, 10 | 508 | 120 | 628 | 620 | 527 | 320 | 508 | 680 | 216 | 80 | M20×42 | 170 | 160 | 5 | 22 | 71 | 85 | 315 | 45 | 4-Φ28 | 2-M63×1.5 | 1334 | 22 | 1164 | 427 | 280 | 600 | 550 | 660 | 24 | 6 | |
| 355M | 2 | 610 | 116 | 726 | 698 | 642 | 380 | 560 | 750 | 254 | 75 | M20×50 | 140 | 130 | 5 | 20 | 67.5 | 79.5 | 355 | 52 | 4-Φ28 | 2-M63×1.5 | 1486 | 25 | 1346 | 414 | 330 | 740 | 680 | 800 | 24 | 6 | |
| 355M | 4, 6, 8, 10 | 610 | 116 | 726 | 698 | 642 | 380 | 560 | 750 | 254 | 95 | M24×50 | 170 | 160 | 5 | 25 | 86 | 100 | 355 | 52 | 4-Φ28 | 2-M63×1.5 | 1516 | 25 | 1346 | 414 | 330 | 740 | 680 | 800 | 24 | 6 | |
| 355L | 2 | 610 | 116 | 726 | 698 | 642 | 380 | 630 | 750 | 254 | 75 | M20×50 | 140 | 130 | 5 | 20 | 67.5 | 79.5 | 355 | 52 | 4-Φ28 | 2-M63×1.5 | 1486 | 25 | 1346 | 414 | 330 | 740 | 680 | 800 | 24 | 6 | |
| 355L | 4, 6, 8, 10 | 610 | 116 | 726 | 698 | 642 | 380 | 630 | 750 | 254 | 95 | M24×50 | 170 | 160 | 5 | 25 | 86 | 100 | 355 | 52 | 4-Φ28 | 2-M63×1.5 | 1516 | 25 | 1346 | 414 | 330 | 740 | 680 | 800 | 24 | 6 | |

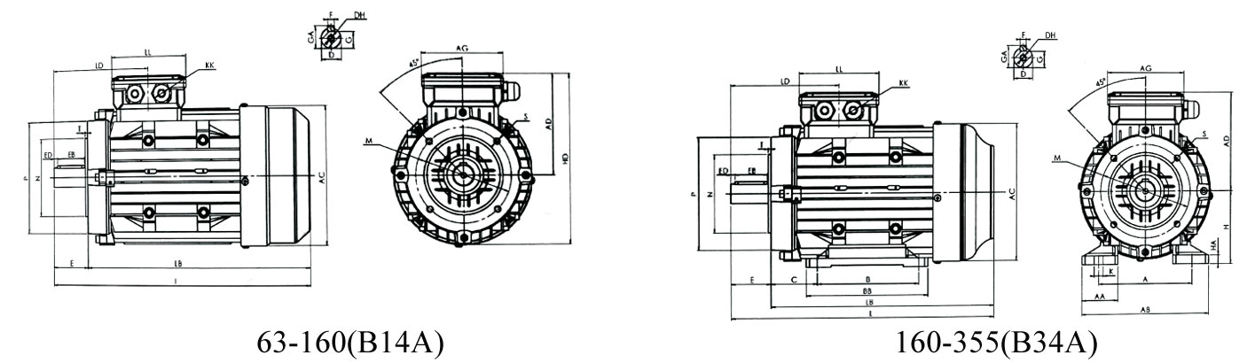
External dimensions IM B14A H63-160
| Type | Poles | AC | AD | AG | D | DH | E | EB | ED | F | G | GA | HD | KK | L | LB | LD | LL | M | N | P | S | T | |||||||||||||
| 63 | 2, 4, 6 | 120 | 104 | 81 | 11 | M4×12 | 23 | 16 | 3.5 | 4 | 8.5 | 12.5 | 173 | 1-M16×1.5 | 220 | 197 | 86 | 81 | 75 | 60 | 90 | M5 | 2.5 | |||||||||||||
| 71 | 2, 4, 6 | 136 | 112 | 81 | 14 | M5×12 | 30 | 25 | 2.5 | 5 | 11 | 16 | 192 | 1-M20×1.5 | 246 | 216 | 99 | 81 | 85 | 70 | 105 | M6 | 2.5 | |||||||||||||
| 80 | 2, 4, 6, 8 | 158 | 147 | 104 | 19 | M6×16 | 40 | 30 | 5 | 6 | 15.5 | 21.5 | 208 | 2-M25×1.5 | 290 | 250 | 75 | 104 | 100 | 80 | 120 | M6 | 3 | |||||||||||||
| 90S | 2, 4, 6, 8 | 175 | 154.5 | 104 | 24 | M8×19 | 50 | 40 | 5 | 8 | 20 | 27 | 227.5 | 2-M25×1.5 | 325 | 275 | 95 | 104 | 115 | 95 | 140 | M8 | 3 | |||||||||||||
| 90L | 2, 4, 6, 8 | 175 | 154.5 | 104 | 24 | M8×19 | 50 | 40 | 5 | 8 | 20 | 27 | 227.5 | 2-M25×1.5 | 350 | 300 | 95 | 104 | 115 | 95 | 140 | M8 | 3 | |||||||||||||
| 100L | 2, 4, 6, 8 | 198 | 166 | 104 | 28 | M10×22 | 60 | 50 | 5 | 8 | 24 | 31 | 255 | 2-M25×1.5 | 398 | 338 | 88.5 | 104 | 130 | 110 | 160 | M8 | 3.5 | |||||||||||||
| 112M | 2, 4, 6, 8 | 219 | 182 | 124 | 28 | M10×22 | 60 | 50 | 5 | 8 | 24 | 31 | 275.5 | 2-M32×1.5 | 447 | 387 | 92 | 114 | 130 | 110 | 160 | M8 | 3.5 | |||||||||||||
| 132S | 2, 4, 6, 8 | 258 | 203 | 124 | 38 | M12×28 | 80 | 65 | 7.5 | 10 | 33 | 41 | 317 | 2-M32×1.5 | 475 | 395 | 100 | 114 | 165 | 130 | 200 | M10 | 3.5 | |||||||||||||
| 132M | 4, 6, 8 | 258 | 203 | 124 | 38 | M12×28 | 80 | 65 | 7.5 | 10 | 33 | 41 | 317 | 2-M32×1.5 | 513 | 433 | 100 | 114 | 165 | 130 | 200 | M10 | 3.5 | |||||||||||||
| 160M | 2, 4, 6, 8 | 315 | 251 | 162 | 42 | M16×36 | 110 | 90 | 10 | 12 | 37 | 45 | 399.5 | 2-M40×1.5 | 609 | 499 | 158.5 | 154 | 215 | 180 | 250 | M12 | 4 | |||||||||||||
| 160L | 2, 4, 6, 8 | 315 | 251 | 162 | 42 | M16×36 | 110 | 90 | 10 | 12 | 37 | 45 | 399.5 | 2-M40×1.5 | 653 | 543 | 158.5 | 154 | 215 | 180 | 250 | M12 | 4 | |||||||||||||
External dimensions IM B34A H63-160
| Type | Poles | A | AA | AB | AC | AD | AG | B | BB | C | D | DH | E | EB | ED | F | G | GA | H | HA | K | KK | LL | M | N | P | S | T | ||||||||
| 63 | 2, 4, 6 | 100 | 34 | 126 | 120 | 104 | 81 | 80 | 102 | 40 | 11 | M4X12 | 23 | 16 | 3.5 | 4 | 8.5 | 13 | 63 | 9 | 4-Φ7 | 1-M16X1.5 | 220 | 197 | 86 | 81 | 75 | 60 | 90 | M5 | 2.5 | |||||
| 71 | 2, 4, 6 | 112 | 34 | 140 | 136 | 112 | 81 | 90 | 114 | 45 | 14 | M5X12 | 30 | 25 | 2.5 | 5 | 11 | 16 | 71 | 10 | 4-Φ8 | 1-M20X1.5 | 246 | 216 | 99 | 81 | 85 | 70 | 105 | M6 | 2.5 | |||||
| 80 | 2, 4, 6, 8 | 125 | 35 | 160 | 158 | 147 | 104 | 100 | 150 | 50 | 19 | M6X16 | 40 | 30 | 5 | 6 | 15.5 | 22 | 80 | 10 | 4-Φ10 | 2-M25X1.5 | 304 | 264 | 112 | 104 | 100 | 80 | 120 | M6 | 3 | |||||
| 90S | 2, 4, 6, 8 | 140 | 36 | 176 | 175 | 155 | 104 | 100 | 161 | 56 | 24 | M8X19 | 50 | 40 | 5 | 8 | 20 | 27 | 90 | 12 | 4-Φ10 | 2-M25X1.5 | 336 | 286 | 130 | 104 | 115 | 95 | 140 | M8 | 3 | |||||
| 90L | 2, 4, 6, 8 | 140 | 36 | 176 | 175 | 155 | 104 | 125 | 186 | 56 | 24 | M8X19 | 50 | 40 | 5 | 8 | 20 | 27 | 90 | 12 | 4-Φ10 | 2-M25X1.5 | 361 | 311 | 130 | 104 | 115 | 95 | 140 | M8 | 3 | |||||
| 100L | 2, 4, 6, 8 | 160 | 40 | 200 | 198 | 166 | 104 | 140 | 213 | 63 | 28 | M10X22 | 60 | 50 | 5 | 8 | 24 | 31 | 100 | 14 | 4-Φ12 | 2-M25X1.5 | 406 | 346 | 139 | 104 | 130 | 110 | 160 | M8 | 3.5 | |||||
| 112M | 2, 4, 6, 8 | 190 | 50 | 240 | 219 | 182 | 124 | 140 | 225 | 70 | 28 | M10X22 | 60 | 50 | 5 | 8 | 24 | 31 | 112 | 15 | 4-Φ12 | 2-M32X1.5 | 452 | 392 | 147 | 114 | 130 | 110 | 160 | M8 | 3.5 | |||||
| 132S | 2, 4, 6, 8 | 216 | 55 | 262 | 258 | 203 | 124 | 140 | 200 | 89 | 38 | M12X28 | 80 | 65 | 7.5 | 10 | 33 | 41 | 132 | 18 | 4-Φ12 | 2-M32X1.5 | 470 | 399 | 172 | 114 | 165 | 130 | 200 | M10 | 3.5 | |||||
| 132M | 4, 6, 8 | 216 | 55 | 262 | 258 | 203 | 124 | 178 | 238 | 89 | 38 | M12X28 | 80 | 65 | 7.5 | 10 | 33 | 41 | 132 | 18 | 4-Φ12 | 2-M32X1.5 | 508 | 428 | 172 | 114 | 165 | 130 | 200 | M10 | 3.5 | |||||
| 160M | 2, 4, 6, 8 | 254 | 65 | 314 | 315 | 251 | 162 | 210 | 260 | 108 | 42 | M16X36 | 110 | 90 | 10 | 12 | 37 | 45 | 160 | 20 | 4-Φ14.5 | 2-M40X1.5 | 608 | 498 | 256 | 154 | 215 | 180 | 250 | M12 | 4 | |||||
| 160L | 2, 4, 6, 8 | 254 | 65 | 314 | 315 | 251 | 162 | 254 | 304 | 108 | 42 | M16X36 | 110 | 90 | 10 | 12 | 37 | 45 | 160 | 20 | 4-Φ14.5 | 2-M40X1.5 | 652 | 542 | 256 | 154 | 215 | 180 | 250 | M12 | 4 | |||||

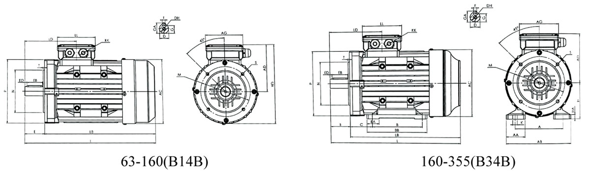
External dimensions IM B14B H63-160
| Type | Poles | AC | AD | AG | D | DH | E | EB | ED | F | G | GA | HD | KK | L | LB | LD | LL | M | N | P | S | T | |||||||||||||
| 63 | 2, 4, 6 | 120 | 104 | 81 | 11 | M4×12 | 23 | 16 | 3.5 | 4 | 8.5 | 12.5 | 173 | 1-M16×1.5 | 220 | 197 | 86 | 81 | 100 | 80 | 120 | M6 | 3 | |||||||||||||
| 71 | 2, 4, 6 | 136 | 112 | 81 | 14 | M5×12 | 30 | 25 | 2.5 | 5 | 11 | 16 | 192 | 1-M20×1.5 | 246 | 216 | 99 | 81 | 115 | 95 | 140 | M8 | 3 | |||||||||||||
| 80 | 2, 4, 6, 8 | 158 | 147 | 104 | 19 | M6×16 | 40 | 30 | 5 | 6 | 15.5 | 21.5 | 209 | 2-M25×1.5 | 290 | 250 | 75 | 104 | 130 | 110 | 160 | M8 | 3.5 | |||||||||||||
| 90S | 2, 4, 6, 8 | 175 | 154.5 | 104 | 24 | M8×19 | 50 | 40 | 5 | 8 | 20 | 27 | 227.5 | 2-M25×1.5 | 325 | 275 | 95 | 104 | 130 | 110 | 160 | M8 | 3.5 | |||||||||||||
| 90L | 2, 4, 6, 8 | 175 | 154.5 | 104 | 24 | M8×19 | 50 | 40 | 5 | 8 | 20 | 27 | 227.5 | 2-M25×1.5 | 350 | 300 | 95 | 104 | 130 | 110 | 160 | M8 | 3.5 | |||||||||||||
| 100L | 2, 4, 6, 8 | 198 | 166 | 104 | 28 | M10×22 | 60 | 50 | 5 | 8 | 24 | 31 | 256 | 2-M25×1.5 | 398 | 338 | 88.5 | 104 | 165 | 130 | 200 | M10 | 3.5 | |||||||||||||
| 112M | 2, 4, 6, 8 | 219 | 182 | 124 | 28 | M10×22 | 60 | 50 | 5 | 8 | 24 | 31 | 275.5 | 2-M32×1.5 | 447 | 387 | 92 | 114 | 165 | 130 | 200 | M10 | 3.5 | |||||||||||||
| 132S | 2, 4, 6, 8 | 258 | 203 | 124 | 38 | M12×28 | 80 | 65 | 7.5 | 10 | 33 | 41 | 317 | 2-M32×1.5 | 475 | 395 | 100 | 114 | 215 | 180 | 250 | M12 | 4 | |||||||||||||
| 132M | 4, 6 | 258 | 203 | 124 | 38 | M12×28 | 80 | 65 | 7.5 | 10 | 33 | 41 | 317 | 2-M32×1.5 | 513 | 433 | 100 | 114 | 215 | 180 | 250 | M12 | 4 | |||||||||||||
| 160M | 2, 4, 6, 8 | 315 | 251 | 162 | 42 | M16×36 | 110 | 90 | 10 | 12 | 37 | 45 | 399.5 | 2-M40×1.5 | 609 | 499 | 158.5 | 154 | 265 | 230 | 300 | M12 | 4 | |||||||||||||
| 160L | 2, 4, 6, 8 | 315 | 251 | 162 | 42 | M16×36 | 110 | 90 | 10 | 12 | 37 | 45 | 399.5 | 2-M40×1.5 | 653 | 543 | 158.5 | 154 | 265 | 230 | 300 | M12 | 4 | |||||||||||||
External dimensions IM B34B H63-160
| Type | Poles | A | AA | AB | AC | AD | AG | B | BB | C | D | DH | E | EB | ED | F | G | GA | H | HA | K | KK | L | LB | M | N | P | S | T | |||||||
| 63 | 2, 4, 6 | 100 | 34 | 126 | 120 | 104 | 81 | 80 | 102 | 40 | 11 | M4X12 | 23 | 16 | 3.5 | 4 | 8.5 | 13 | 63 | 9 | 4-Φ7 | 1-M16X1.5 | 220 | 197 | 86 | 81 | 100 | 80 | 120 | M6 | 3 | |||||
| 71 | 2, 4, 6 | 112 | 34 | 140 | 136 | 112 | 81 | 90 | 114 | 45 | 14 | M5X12 | 30 | 25 | 2.5 | 5 | 11 | 16 | 71 | 10 | 4-Φ8 | 1-M20X1.5 | 246 | 216 | 99 | 81 | 115 | 95 | 140 | M8 | 3 | |||||
| 80 | 2, 4, 6, 8 | 125 | 35 | 160 | 158 | 147 | 104 | 100 | 150 | 50 | 19 | M6X16 | 40 | 30 | 5 | 6 | 15.5 | 22 | 80 | 10 | 4-Φ10 | 2-M25X1.5 | 304 | 264 | 112 | 104 | 130 | 110 | 160 | M8 | 3.5 | |||||
| 90S | 2, 4, 6, 8 | 140 | 36 | 176 | 175 | 155 | 104 | 100 | 161 | 56 | 24 | M8X19 | 50 | 40 | 5 | 8 | 20 | 27 | 90 | 12 | 4-Φ10 | 2-M25X1.5 | 336 | 286 | 130 | 104 | 130 | 110 | 160 | M8 | 4 | |||||
| 90L | 2, 4, 6, 8 | 140 | 36 | 176 | 175 | 155 | 104 | 125 | 186 | 56 | 24 | M8X19 | 50 | 40 | 5 | 8 | 20 | 27 | 90 | 12 | 4-Φ10 | 2-M25X1.5 | 361 | 311 | 130 | 104 | 130 | 110 | 160 | M8 | 3.5 | |||||
| 100L | 2, 4, 6, 8 | 160 | 40 | 200 | 198 | 166 | 104 | 140 | 213 | 63 | 28 | M10X22 | 60 | 50 | 5 | 8 | 24 | 31 | 100 | 14 | 4-Φ12 | 2-M25X1.5 | 406 | 346 | 139 | 104 | 165 | 130 | 200 | M10 | 4 | |||||
| 112M | 2, 4, 6, 8 | 190 | 50 | 240 | 219 | 182 | 124 | 140 | 225 | 70 | 28 | M10X22 | 60 | 50 | 5 | 8 | 24 | 31 | 112 | 15 | 4-Φ12 | 2-M32X1.5 | 452 | 392 | 147 | 114 | 165 | 130 | 200 | M10 | 3.5 | |||||
| 132S | 2, 4, 6, 8 | 216 | 55 | 262 | 258 | 203 | 124 | 140 | 200 | 89 | 38 | M12X28 | 80 | 65 | 7.5 | 10 | 33 | 41 | 132 | 18 | 4-Φ12 | 2-M32X1.5 | 470 | 399 | 172 | 114 | 215 | 180 | 250 | M12 | 4 | |||||
| 132M | 4, 6, 8 | 216 | 55 | 262 | 258 | 203 | 124 | 178 | 238 | 89 | 38 | M12X28 | 80 | 65 | 7.5 | 10 | 33 | 41 | 132 | 18 | 4-Φ12 | 2-M32X1.5 | 508 | 428 | 172 | 114 | 215 | 180 | 250 | M12 | 4 | |||||
| 160M | 2, 4, 6, 8 | 254 | 65 | 314 | 315 | 251 | 162 | 210 | 260 | 108 | 42 | M16X36 | 110 | 90 | 10 | 12 | 37 | 45 | 160 | 20 | 4-Φ14.5 | 2-M40X1.5 | 608 | 498 | 256 | 154 | 265 | 230 | 300 | M12 | 4 | |||||
| 160L | 2, 4, 6, 8 | 254 | 65 | 314 | 315 | 251 | 162 | 254 | 304 | 108 | 42 | M16X36 | 110 | 90 | 10 | 12 | 37 | 45 | 160 | 20 | 4-Φ14.5 | 2-M40X1.5 | 652 | 542 | 256 | 154 | 265 | 230 | 300 | M12 | 4 | |||||
Good startup performance;
Stable speed and good speed regulation performance;
Low noise, low vibration;
Strong adaptability and wide application;
Easy maintenance and long service life;
Efficient Energy Saving and Environmental Protection;
Strong protective performance.
Contact Ouruian for Permanent Magnet Synchronous Motor
Contact With Us:
E-mail: market@ouruian.com
Have a Questions? Call Us:
Add:
No. 3777, Yitianmen Street, High-tech Zone, Tai'an City, Shandong Province, China